Startseite
Oldtimertermine
Deutsches GAZ-Register
Wolga Video
Pobeda Video
Linksammlung
Download´s
Oldtimer Lexikon
Photoalbum
Feedback Homepage
Aktuelle Nachrichten
Über Mich
Ersatzteilkatalog M 21 (ru)
Ersatzteilkatalog M 21 (deu)
Ersatzteilkatalog M 24 (deu)
Ersatzteilkatalog M 24-10
KBA
Kraftfahrzeugbundesamt
KFZ Import
Adressen Oldtimer Sachverständiger
Das Wiederaufbaugutachten
H - Kennzeichen
KFZ Schiedsstellen
Wolga bei eBay
Wolga bei Auktion Ukraine
Routenplaner
Call by Call Ukraine
Call by Call Kasachstan
Call by Call Russland
Ersatzteile Ford, VW, Opel
Sonnenbrillen
Antikes
Trödel
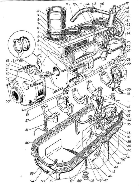
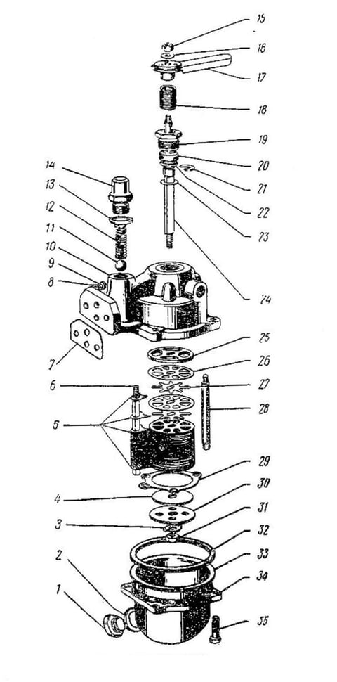
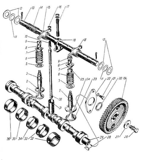
Klick auf Bild für Detailinformation