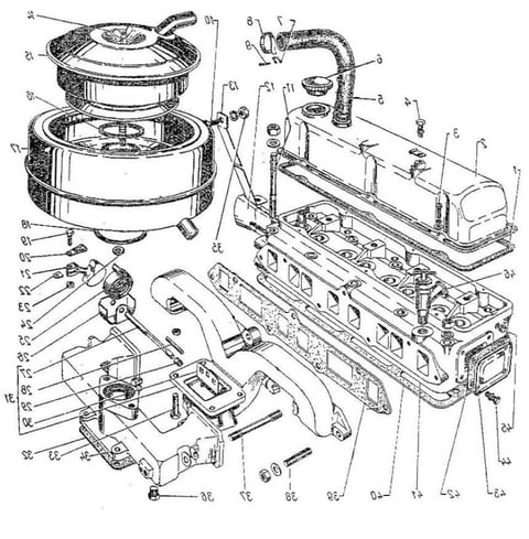
Der Zylinderkopf

Weiter mit Zylinderblock Kolben Kurbelwelle Lagerschalen Motorsteuerung
aktuelle Themen im www.wolga-forum-deutschland.de
Weiter mit Zylinderblock Kolben Kurbelwelle Lagerschalen Motorsteuerung
aktuelle Themen im www.wolga-forum-deutschland.de